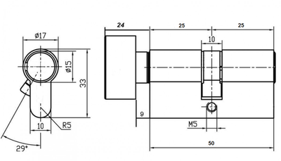
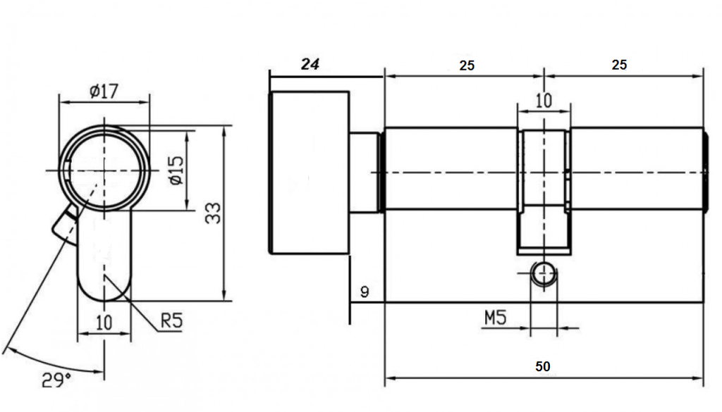
Ключевой цилиндр MORELLI с поворотной ручкой (50 мм) 50CK PC Цвет - Хром