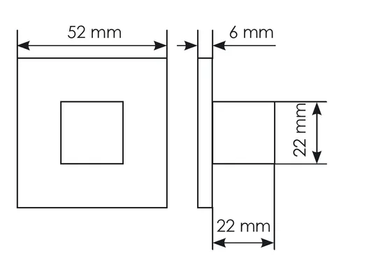
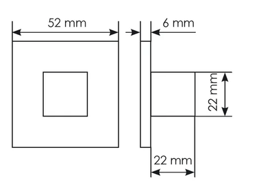
Завертка сантехническая MORELLI MH-WC-S6 SC Цвет - Матовый хром